電動三通球閥概述:
電動三通球閥是一種可對三條管路介質進行換向、分流或合流的三通切換型調節球閥,
一般有法蘭或內螺紋連接方式,根據不同流向切換要求球芯可設計為L型和T型結構,
從而實現對管道中流體各種不同組合的控*形式。
電動三通球閥不僅能對兩條相互垂直的通道進行切換或截斷,也能關閉任一通道,
使另外兩個通道連通,靈活控*管路中介質的合流或分流。選用不同功能的執行裝置,
可滿足不同工況的使用要求,廣泛用于電力、環保、供水、蒸汽、機械設備
等工業系統中作兩位切斷或比例式調節使用。

| 公稱通徑 | DN15~DN200(mm) | ||
| 公稱壓力 | PN1.6、2.5、4.0、6.4MPa | ||
| 連接形式 | 法蘭式、螺紋連接 | ||
| 閥芯形式 | O型球型閥芯 | ||
| 驅動方式 | 電動控*(可帶手動手輪) | ||
| 結構形式 | 三通L型、三通T型 | ||
| 電源電壓 | AC220V、AC380V(其他定*DC24等) | ||
| 閥體材質 | 碳鋼WCB、不銹鋼304、316、316L | ||
| 球芯材質 | 碳鋼WCB、不銹鋼304、316、316L | ||
| 可調范圍 | 15-60秒(可定*) | ||
| 適用溫度 | -40℃~450℃ | ||
| 執行機構 |
開關型(開關兩位模式)、智能調節(4~20mA模擬量信號控*)、可選防爆系列型 | ||
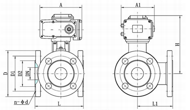
![]() 電動法蘭三通球閥結構圖 |
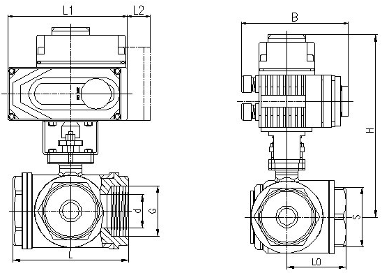
![]() 電動內螺紋三通球閥結構圖 |
