
| 公稱通徑 | DN50~DN1200(mm) |
| 壓力等* | PN1.0、1.6、2.5、6.4MPa |
| 連接方式 | 法蘭、對夾式連接 |
| 密封形式 | 軟密封或金屬硬密封 |
| 驅動方式 | 氣源驅動,壓縮空氣4~7bar(可帶手輪) |
| 動作范圍 | 0~90° |
| 閥體材質 | 碳鋼、不銹鋼304、不銹鋼316 |
| 工作場合 | 水、蒸氣、油品、酸類腐蝕性等(高溫場合) |
| 溫度范圍 | 軟密封:-29℃~180℃ 硬密封:-40℃~550℃ |
| 控*方式 | 裝配閥門定位器,智能調節型(4~20mA模擬量信號) |
|
設計標準:GB/T2238-1989
結構長度:GB/T12221-1989
壓力試驗:GB/T13927-2000;JB/T9092-1999
法蘭連接尺寸:GB/T9113.1-2000;GB/T9115.1-2000; 可調范圍R:50:1 使用次數:100萬次
回差:帶定位器:小于全行程的2%
基本誤差:帶定位器:小于全行程的±2%
泄露量l/h:符合ANSI B16.104 IV*標準 |
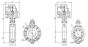
![]() 氣動調節蝶閥(法蘭式) 氣動調節蝶閥(對夾式) |
| 執行機構 | GT、AT、AW系列單雙作用氣動執行器 |
| 供氣壓力 | 0.5~0.7MPa |
| 氣源接口 | G1/4"、G1/8"、G3/8"、G1/2" |
| 環境溫度 | -30~+70℃ |
| 作用形式 | 雙作用執行機構:氣關式(B)--失氣時閥位保持(FL);氣開式(K)-- 失氣時閥位保持(FL) |
| 可選附件 | 定位器、電磁閥、空氣過濾減壓器、保位閥、行程開關、閥位傳送器、手輪機構等 |